| HDO6000A/HDO6000A-MS高分辨率示波器 |
| 产品类别: 示波器 发布时间: 2016-05-06 10:37:51 |
![]() 关键特性
12-bit ADC垂直分辨率, 增强分辨率模式下达到15-bit
350 MHz, 500 MHz, 1 GHz 带宽分布
长存储 – 高达250 Mpts/Ch
12.1” 触摸显示屏
Spectrum 频谱分析模式
WaveScan –高级搜索和查找工具
历史回放模式 – 波形回放和测量
专业的电源分析软件
JITKIT Clock-Data Jitter Analysis
串行数据触发和解码
PROTObus MAG 串行调试工具集
LabNotebook归档和报告生成工具
拥有TriggerScan 和Measurement Trigger高级触发功能
带有10GS/s采样率的16位数字通道
混合信号调试功能
模拟和数字交叉型触发
数字码型搜索和查找
模拟和数字时序测量
逻辑门仿真
HD4096 高分辨率技术
使用HD4096技术的示波器可以精确采集和测量高达1GHz带宽、高采样率和比其他的示波器高达16倍的垂直分辨精度。
![]() HD4096 技术的优势
示波器显示的波形更加“干净”和“锐利”;工程师可以看到和测量到更多信号细节;更精确的采集保证了后期信号测量和分析的精确性,让您得到更接近于真实的测量结果。
综合分析工具
综合的波形函数和测量工具扩展了调试和分析能力。
![]() 完整的应用
针对嵌入式、数字、电源、汽车电子等应用的完整解决方案。
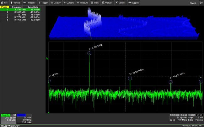
![]() 频谱分析仪界面
通过一个频谱分析仪的界面在频域查看信号细节。
![]() 快速发现并隔离问题
使用WaveScan快速搜索模拟、数字或并行总线信号的欠幅、毛刺或其他的异常。
![]() 历史波形回放模式
滚动回放原来采集的波形隔离异常信号,以便快速找到异常的根源。
![]() 简单直观的触摸屏设计
通过大的多点触摸屏和直观的界面控制通道、触发、函数和测量。
PROTObus MAG 串行调试工具集
PROTObus MAG 串行调试工具集通过将测量参数和波形函数集成在一起扩展了串行数据的触发和解码功能。
功率分析软件
快速测试和分析功率转换器件和电路信号。
顺序采样模式
采集很多连续快速脉冲或长时间分离的事件。
串行总线触发和解码
在物理层波形上查看协议信息,触发特定协议信息。
保存,归档,生成报告
使用LabNotebook一键保存所有测试结果和数据,创建自定义报告。
交叉触发
所有通道模拟和数字交叉型触发。
数字时序测量
对数字信号进行时序测量,使用趋势、统计和直方图图表做分析。
并行码型搜索
使用WaveScan的并行码型搜索功能找到横跨多根数字线的数字码型。
活动指示器
使用方便的活动指示器快速同时查看所有数字线的状态。
逻辑门限仿真
使用逻辑门限仿真模拟完整的数字设计。
|
